800亿医美巨头被质疑造假 公司回应 坚决否认不实指控

5月24日深夜,巨子生物旗下品牌可复美发布声明,针对近期网络流传的“巨子生物产品检测未添加重组胶原蛋白成分”的指控予以严正驳斥。声明中提到,公司所有上市产品均经过原料投料核查、生产工序质控和成品质量检测三重验证体系,确保产品质量安全可靠,不存在任何成分造假或隐瞒行为。

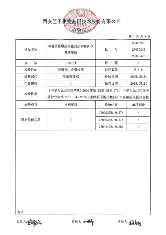
事件发生后,巨子生物参考《中华人民共和国药典》及医药行业标准对相关产品进行了检测,结果显示多批次产品的胶原蛋白含量均大于0.1%,与网传的“0.0177%添加量”严重不符。根据国家药监局《化妆品标签管理办法》及相关产品在国家药监局国产普通化妆品备案信息系统中的信息显示,该产品的“可溶性胶原”成分因其添加量大于0.1%(w/w),排序为第七位,与网传数据不符。这种指控不仅质疑了公司的合法诚信经营,也挑战了国家相关监察管理部门的权威。

巨子生物已委托多家权威第三方检测机构对该产品采用多种方法进一步检测,结果将在第一时间公布。公司强烈谴责恶意传播不实言论的行为,并表示将依法追究造谣者的法律责任,以维护公司、消费者和投资人的利益。

同日,“大嘴博士颜究所”公众号发布文章质疑可复美品牌旗下产品“可复美胶原棒”不含胶原蛋白核心氨基酸成分“甘氨酸”。博主自称香港大学化学博士,前“欧莱雅中国”科学传播负责人。他称其团队使用国际标准的高精度HPLC高效液相色谱氨基酸定量法进行检测,结果显示源自“重组胶原蛋白”水解产生的氨基酸总含量仅有0.0177%。

免责声明:本文转载自其它媒体,转载目的在于传递更多信息,并不代表本网赞同其观点和对其真实性负责,亦不负任何法律责任。 本站所有资源全部收集于互联网,分享目的仅供大家学习与参考,如有版权或知识产权侵犯等,请给我们留言。
©版权 2009-2020 青岛新闻      联系我们   SiteMap